Replacing Fuel Pump In Jeep Liberty . Learn how to access and remove the old pump,. the labour time for replacing the fuel pump and the filter assembly on your jeep liberty 3.7 is around 4 hours! this is how you replace the fuel pump and sending unit on a jeep liberty. buy now!new fuel pump & sending unit assembly from 1aauto.com. This time also depends on. either way, a new engineered to fit fuel pump for trq is just what you need. how to install a new trq fuel pump with integrated sending unit in your. place the new fuel pump module into the tank so that it faces the front, and secure it in place with the lock nut.
from www.cargurus.com
the labour time for replacing the fuel pump and the filter assembly on your jeep liberty 3.7 is around 4 hours! either way, a new engineered to fit fuel pump for trq is just what you need. Learn how to access and remove the old pump,. place the new fuel pump module into the tank so that it faces the front, and secure it in place with the lock nut. how to install a new trq fuel pump with integrated sending unit in your. this is how you replace the fuel pump and sending unit on a jeep liberty. buy now!new fuel pump & sending unit assembly from 1aauto.com. This time also depends on.
Jeep Liberty Questions 2005 jeep liberty fuel tank CarGurus
Replacing Fuel Pump In Jeep Liberty the labour time for replacing the fuel pump and the filter assembly on your jeep liberty 3.7 is around 4 hours! this is how you replace the fuel pump and sending unit on a jeep liberty. the labour time for replacing the fuel pump and the filter assembly on your jeep liberty 3.7 is around 4 hours! Learn how to access and remove the old pump,. either way, a new engineered to fit fuel pump for trq is just what you need. how to install a new trq fuel pump with integrated sending unit in your. This time also depends on. buy now!new fuel pump & sending unit assembly from 1aauto.com. place the new fuel pump module into the tank so that it faces the front, and secure it in place with the lock nut.
From www.youtube.com
How To Replace Engine Water Pump 200207 Jeep Liberty YouTube Replacing Fuel Pump In Jeep Liberty Learn how to access and remove the old pump,. the labour time for replacing the fuel pump and the filter assembly on your jeep liberty 3.7 is around 4 hours! This time also depends on. this is how you replace the fuel pump and sending unit on a jeep liberty. either way, a new engineered to fit. Replacing Fuel Pump In Jeep Liberty.
From www.youtube.com
Replace gas tank/fuel pump Jeep Liberty YouTube Replacing Fuel Pump In Jeep Liberty buy now!new fuel pump & sending unit assembly from 1aauto.com. Learn how to access and remove the old pump,. this is how you replace the fuel pump and sending unit on a jeep liberty. This time also depends on. either way, a new engineered to fit fuel pump for trq is just what you need. the. Replacing Fuel Pump In Jeep Liberty.
From circuitlistriviera.z14.web.core.windows.net
Jeep Cherokee Fuel Pump Location Replacing Fuel Pump In Jeep Liberty this is how you replace the fuel pump and sending unit on a jeep liberty. either way, a new engineered to fit fuel pump for trq is just what you need. This time also depends on. place the new fuel pump module into the tank so that it faces the front, and secure it in place with. Replacing Fuel Pump In Jeep Liberty.
From www.justanswer.com
Jeep Liberty Fuel Pump Reset Q&A for 20022007 Models Replacing Fuel Pump In Jeep Liberty this is how you replace the fuel pump and sending unit on a jeep liberty. This time also depends on. place the new fuel pump module into the tank so that it faces the front, and secure it in place with the lock nut. buy now!new fuel pump & sending unit assembly from 1aauto.com. either way,. Replacing Fuel Pump In Jeep Liberty.
From garagefixempomanumv9.z22.web.core.windows.net
Chevy Fuel Pump Replacement Instructions Replacing Fuel Pump In Jeep Liberty how to install a new trq fuel pump with integrated sending unit in your. place the new fuel pump module into the tank so that it faces the front, and secure it in place with the lock nut. Learn how to access and remove the old pump,. This time also depends on. the labour time for replacing. Replacing Fuel Pump In Jeep Liberty.
From www.accuratediesel.com
20052006 Jeep Liberty Fuel Pump Jeep Liberty CP3 Pump Replacing Fuel Pump In Jeep Liberty This time also depends on. Learn how to access and remove the old pump,. either way, a new engineered to fit fuel pump for trq is just what you need. buy now!new fuel pump & sending unit assembly from 1aauto.com. the labour time for replacing the fuel pump and the filter assembly on your jeep liberty 3.7. Replacing Fuel Pump In Jeep Liberty.
From www.slimansparts.com
Jeep Liberty Fuel Pump Wiring Harness 56048898AF Amherst OH Replacing Fuel Pump In Jeep Liberty either way, a new engineered to fit fuel pump for trq is just what you need. This time also depends on. place the new fuel pump module into the tank so that it faces the front, and secure it in place with the lock nut. Learn how to access and remove the old pump,. how to install. Replacing Fuel Pump In Jeep Liberty.
From www.jeeppatriot.com
Fuel pump? Jeep Patriot Forums Replacing Fuel Pump In Jeep Liberty this is how you replace the fuel pump and sending unit on a jeep liberty. the labour time for replacing the fuel pump and the filter assembly on your jeep liberty 3.7 is around 4 hours! buy now!new fuel pump & sending unit assembly from 1aauto.com. either way, a new engineered to fit fuel pump for. Replacing Fuel Pump In Jeep Liberty.
From schematiclaurenn24ft.z22.web.core.windows.net
Jeep Cherokee Fuel Pump Location Replacing Fuel Pump In Jeep Liberty buy now!new fuel pump & sending unit assembly from 1aauto.com. the labour time for replacing the fuel pump and the filter assembly on your jeep liberty 3.7 is around 4 hours! place the new fuel pump module into the tank so that it faces the front, and secure it in place with the lock nut. this. Replacing Fuel Pump In Jeep Liberty.
From www.youtube.com
How to Replace Fuel Pump and Sending Unit 20052007 Jeep Liberty YouTube Replacing Fuel Pump In Jeep Liberty This time also depends on. this is how you replace the fuel pump and sending unit on a jeep liberty. place the new fuel pump module into the tank so that it faces the front, and secure it in place with the lock nut. Learn how to access and remove the old pump,. buy now!new fuel pump. Replacing Fuel Pump In Jeep Liberty.
From enginemetacentre.z13.web.core.windows.net
Fuel Pump 2003 Jeep Grand Cherokee Replacing Fuel Pump In Jeep Liberty place the new fuel pump module into the tank so that it faces the front, and secure it in place with the lock nut. This time also depends on. the labour time for replacing the fuel pump and the filter assembly on your jeep liberty 3.7 is around 4 hours! this is how you replace the fuel. Replacing Fuel Pump In Jeep Liberty.
From www.2040-parts.com
Buy ABS Pump 02 JEEP LIBERTY in Cape Girardeau, Missouri, US, for US Replacing Fuel Pump In Jeep Liberty place the new fuel pump module into the tank so that it faces the front, and secure it in place with the lock nut. the labour time for replacing the fuel pump and the filter assembly on your jeep liberty 3.7 is around 4 hours! either way, a new engineered to fit fuel pump for trq is. Replacing Fuel Pump In Jeep Liberty.
From www.buyautoparts.com
2002 Jeep Liberty Fuel Pump Assembly All Models 3601602 AN Replacing Fuel Pump In Jeep Liberty the labour time for replacing the fuel pump and the filter assembly on your jeep liberty 3.7 is around 4 hours! This time also depends on. Learn how to access and remove the old pump,. place the new fuel pump module into the tank so that it faces the front, and secure it in place with the lock. Replacing Fuel Pump In Jeep Liberty.
From roelaru0workshopfix.z21.web.core.windows.net
Replacing Fuel Pump 2003 Jeep Grand Cherokee Replacing Fuel Pump In Jeep Liberty how to install a new trq fuel pump with integrated sending unit in your. Learn how to access and remove the old pump,. either way, a new engineered to fit fuel pump for trq is just what you need. this is how you replace the fuel pump and sending unit on a jeep liberty. the labour. Replacing Fuel Pump In Jeep Liberty.
From diagraminfo.com
Jeep Wrangler Evap System Diagram DiagramInfo Replacing Fuel Pump In Jeep Liberty this is how you replace the fuel pump and sending unit on a jeep liberty. either way, a new engineered to fit fuel pump for trq is just what you need. buy now!new fuel pump & sending unit assembly from 1aauto.com. how to install a new trq fuel pump with integrated sending unit in your. This. Replacing Fuel Pump In Jeep Liberty.
From www.accuratediesel.com
20052006 Jeep Liberty Fuel Pump Jeep Liberty CP3 Pump Replacing Fuel Pump In Jeep Liberty the labour time for replacing the fuel pump and the filter assembly on your jeep liberty 3.7 is around 4 hours! either way, a new engineered to fit fuel pump for trq is just what you need. buy now!new fuel pump & sending unit assembly from 1aauto.com. how to install a new trq fuel pump with. Replacing Fuel Pump In Jeep Liberty.
From www.accuratediesel.com
20052006 Jeep Liberty Fuel Pump Jeep Liberty CP3 Pump Replacing Fuel Pump In Jeep Liberty how to install a new trq fuel pump with integrated sending unit in your. this is how you replace the fuel pump and sending unit on a jeep liberty. Learn how to access and remove the old pump,. buy now!new fuel pump & sending unit assembly from 1aauto.com. either way, a new engineered to fit fuel. Replacing Fuel Pump In Jeep Liberty.
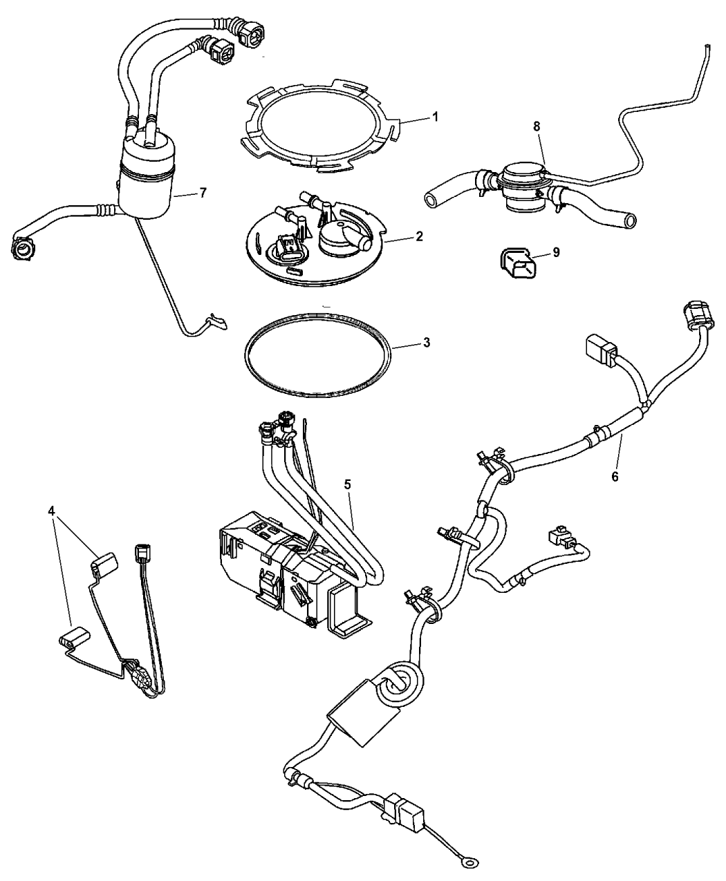
From www.moparpartsgiant.com
2004 Jeep Liberty Fuel Pump & Sending Unit Mopar Parts Giant Replacing Fuel Pump In Jeep Liberty this is how you replace the fuel pump and sending unit on a jeep liberty. Learn how to access and remove the old pump,. place the new fuel pump module into the tank so that it faces the front, and secure it in place with the lock nut. This time also depends on. the labour time for. Replacing Fuel Pump In Jeep Liberty.